Ёмкостной выключатель (датчик) предназначен для преобразования бесконтактного воздействия объектов из любого материала (металл, керамика, пластмасса, масло, вода, бумага) в электрический сигнал управления исполнительным устройством. Является элементом автоматизированных систем управления технологическими процессами. Предназначен для работы во взрывобезопасной среде, не содержащей агрессивных газов и паров в концентрациях, приводящих к разрушению материала корпуса.
| Характеристики комплектации |
| Тип коммутации |
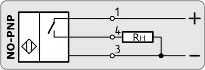
NO — нормально-открытый контакт |
| Схема подключения |
PNP — общий минус |
| Резьба присоединения |
G1/4 |
| Длина погружаемой части |
12 мм |
| Материал корпуса сенсора |
фторопласт Ф4 |
| Тип коммутации | Схема подключения |
NO-PNP — контакт NO • схема PNP • 10…30 VDC |
| Характеристики комплектации |
| Тип коммутации |
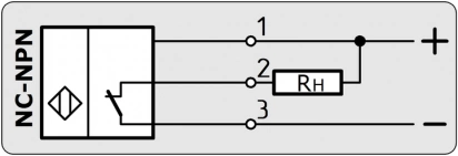
NC — нормально-закрытый контакт |
| Схема подключения |
PNP — общий минус |
| Резьба присоединения |
G1/4 |
| Длина погружаемой части |
12 мм |
| Материал корпуса сенсора |
фторопласт Ф4 |
| Тип коммутации | Схема подключения |
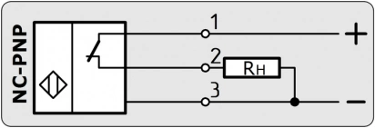
NC-PNP — контакт NC • схема PNP • 10…30 VDC |
| Характеристики комплектации |
| Тип коммутации |
NO/NC — переключающий контакт |
| Схема подключения |
PNP — общий минус |
| Резьба присоединения |
G1/4 |
| Длина погружаемой части |
12 мм |
| Материал корпуса сенсора |
фторопласт Ф4 |
| Тип коммутации | Схема подключения |
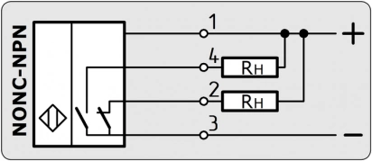
NONC-PNP — контакт NONC • схема PNP • 10…30 VDC |
| Характеристики комплектации |
| Тип коммутации |
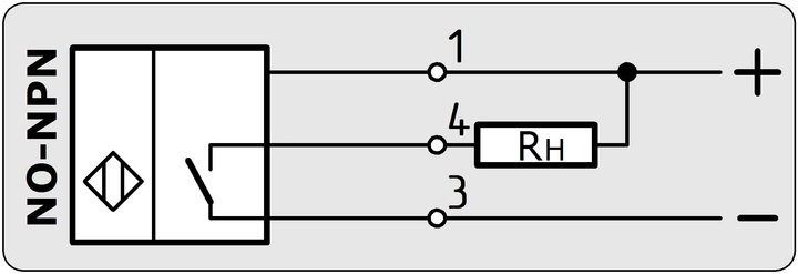
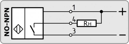
NO — нормально-открытый контакт |
| Схема подключения |
NPN — общий минус |
| Резьба присоединения |
G1/4 |
| Длина погружаемой части |
12 мм |
| Материал корпуса сенсора |
фторопласт Ф4 |
| Тип коммутации | Схема подключения |
NO-NPN — контакт NO • схема NPN • 10…30 VDC |
| Характеристики комплектации |
| Тип коммутации |
NC — нормально-закрытый контакт |
| Схема подключения |
NPN — общий минус |
| Резьба присоединения |
M18A |
| Длина погружаемой части |
12 мм |
| Материал корпуса сенсора |
фторопласт Ф4 |
| Тип коммутации | Схема подключения |
NC-NPN — контакт NC • схема NPN • 10…30 VDC |
| Характеристики комплектации |
| Тип коммутации |
NO/NC — переключающий контакт |
| Схема подключения |
NPN — общий минус |
| Резьба присоединения |
G1/4 |
| Длина погружаемой части |
12 мм |
| Материал корпуса сенсора |
фторопласт Ф4 |
| Тип коммутации | Схема подключения |
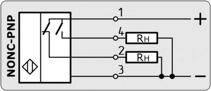
NONC-NPN — контакт NONC • схема NPN • 10…30 VDC |
| Характеристики комплектации |
| Тип коммутации |
NO — нормально-открытый контакт |
| Схема подключения |
PNP — общий минус |
| Резьба присоединения |
G1/2 |
| Длина погружаемой части |
12 мм |
| Материал корпуса сенсора |
фторопласт Ф4 |
| Тип коммутации | Схема подключения |
NO-PNP — контакт NO • схема PNP • 10…30 VDC |
| Характеристики комплектации |
| Тип коммутации |
NC — нормально-закрытый контакт |
| Схема подключения |
PNP — общий минус |
| Резьба присоединения |
G1/2 |
| Длина погружаемой части |
12 мм |
| Материал корпуса сенсора |
фторопласт Ф4 |
| Тип коммутации | Схема подключения |
NC-PNP — контакт NC • схема PNP • 10…30 VDC |
| Характеристики комплектации |
| Тип коммутации |
NO/NC — переключающий контакт |
| Схема подключения |
PNP — общий минус |
| Резьба присоединения |
G1/2 |
| Длина погружаемой части |
12 мм |
| Материал корпуса сенсора |
фторопласт Ф4 |
| Тип коммутации | Схема подключения |
NONC-PNP — контакт NONC • схема PNP • 10…30 VDC |
| Характеристики комплектации |
| Тип коммутации |
NO — нормально-открытый контакт |
| Схема подключения |
NPN — общий минус |
| Резьба присоединения |
G1/2 |
| Длина погружаемой части |
12 мм |
| Материал корпуса сенсора |
фторопласт Ф4 |
| Тип коммутации | Схема подключения |
NO-NPN — контакт NO • схема NPN • 10…30 VDC |
| Характеристики комплектации |
| Тип коммутации |
NC — нормально-закрытый контакт |
| Схема подключения |
NPN — общий минус |
| Резьба присоединения |
G1/2 |
| Длина погружаемой части |
12 мм |
| Материал корпуса сенсора |
фторопласт Ф4 |
| Тип коммутации | Схема подключения |
NC-NPN — контакт NC • схема NPN • 10…30 VDC |
| Характеристики комплектации |
| Тип коммутации |
NO/NC — переключающий контакт |
| Схема подключения |
NPN — общий минус |
| Резьба присоединения |
G1/2 |
| Длина погружаемой части |
12 мм |
| Материал корпуса сенсора |
фторопласт Ф4 |
| Тип коммутации | Схема подключения |
NONC-NPN — контакт NONC • схема NPN • 10…30 VDC |
| Характеристики комплектации |
| Тип коммутации |
NO — нормально-открытый контакт |
| Схема подключения |
PNP — общий минус |
| Резьба присоединения |
G3/4 |
| Длина погружаемой части |
12 мм |
| Материал корпуса сенсора |
фторопласт Ф4 |
| Тип коммутации | Схема подключения |
NO-PNP — контакт NO • схема PNP • 10…30 VDC |
| Характеристики комплектации |
| Тип коммутации |
NC — нормально-закрытый контакт |
| Схема подключения |
PNP — общий минус |
| Резьба присоединения |
G3/4 |
| Длина погружаемой части |
12 мм |
| Материал корпуса сенсора |
фторопласт Ф4 |
| Тип коммутации | Схема подключения |
NC-PNP — контакт NC • схема PNP • 10…30 VDC |
| Характеристики комплектации |
| Тип коммутации |
NO/NC — переключающий контакт |
| Схема подключения |
PNP — общий минус |
| Резьба присоединения |
G3/4 |
| Длина погружаемой части |
12 мм |
| Материал корпуса сенсора |
фторопласт Ф4 |
| Тип коммутации | Схема подключения |
NONC-PNP — контакт NONC • схема PNP • 10…30 VDC |
| Характеристики комплектации |
| Тип коммутации |
NO — нормально-открытый контакт |
| Схема подключения |
NPN — общий минус |
| Резьба присоединения |
G3/4 |
| Длина погружаемой части |
12 мм |
| Материал корпуса сенсора |
фторопласт Ф4 |
| Тип коммутации | Схема подключения |
NO-NPN — контакт NO • схема NPN • 10…30 VDC |
| Характеристики комплектации |
| Тип коммутации |
NC — нормально-закрытый контакт |
| Схема подключения |
NPN — общий минус |
| Резьба присоединения |
G3/4 |
| Длина погружаемой части |
12 мм |
| Материал корпуса сенсора |
фторопласт Ф4 |
| Тип коммутации | Схема подключения |
NC-NPN — контакт NC • схема NPN • 10…30 VDC |
| Характеристики комплектации |
| Тип коммутации |
NO/NC — переключающий контакт |
| Схема подключения |
NPN — общий минус |
| Резьба присоединения |
G3/4 |
| Длина погружаемой части |
12 мм |
| Материал корпуса сенсора |
фторопласт Ф4 |
| Тип коммутации | Схема подключения |
NONC-NPN — контакт NONC • схема NPN • 10…30 VDC |
| Характеристики комплектации |
| Тип коммутации |
NO — нормально-открытый контакт |
| Схема подключения |
PNP — общий минус |
| Резьба присоединения |
М12х1 |
| Длина погружаемой части |
12 мм |
| Материал корпуса сенсора |
фторопласт Ф4 |
| Тип коммутации | Схема подключения |
NO-PNP — контакт NO • схема PNP • 10…30 VDC |
| Характеристики комплектации |
| Тип коммутации |
NC — нормально-закрытый контакт |
| Схема подключения |
PNP — общий минус |
| Резьба присоединения |
М12х1 |
| Длина погружаемой части |
12 мм |
| Материал корпуса сенсора |
фторопласт Ф4 |
| Тип коммутации | Схема подключения |
NC-PNP — контакт NC • схема PNP • 10…30 VDC |
| Характеристики комплектации |
| Тип коммутации |
NO/NC — переключающий контакт |
| Схема подключения |
PNP — общий минус |
| Резьба присоединения |
М12х1 |
| Длина погружаемой части |
12 мм |
| Материал корпуса сенсора |
фторопласт Ф4 |
| Тип коммутации | Схема подключения |
NONC-PNP — контакт NONC • схема PNP • 10…30 VDC |
| Характеристики комплектации |
| Тип коммутации |
NO — нормально-открытый контакт |
| Схема подключения |
NPN — общий минус |
| Резьба присоединения |
М12х1 |
| Длина погружаемой части |
12 мм |
| Материал корпуса сенсора |
фторопласт Ф4 |
| Тип коммутации | Схема подключения |
NO-NPN — контакт NO • схема NPN • 10…30 VDC |
| Характеристики комплектации |
| Тип коммутации |
NC — нормально-закрытый контакт |
| Схема подключения |
NPN — общий минус |
| Резьба присоединения |
М12х1 |
| Длина погружаемой части |
12 мм |
| Материал корпуса сенсора |
фторопласт Ф4 |
| Тип коммутации | Схема подключения |
NC-NPN — контакт NC • схема NPN • 10…30 VDC |
| Характеристики комплектации |
| Тип коммутации |
NO/NC — переключающий контакт |
| Схема подключения |
NPN — общий минус |
| Резьба присоединения |
М12х1 |
| Длина погружаемой части |
12 мм |
| Материал корпуса сенсора |
фторопласт Ф4 |
| Тип коммутации | Схема подключения |
NONC-NPN — контакт NONC • схема NPN • 10…30 VDC |
| Характеристики комплектации |
| Тип коммутации |
NO — нормально-открытый контакт |
| Схема подключения |
PNP — общий минус |
| Резьба присоединения |
М20х1,5 |
| Длина погружаемой части |
12 мм |
| Материал корпуса сенсора |
фторопласт Ф4 |
| Тип коммутации | Схема подключения |
NO-PNP — контакт NO • схема PNP • 10…30 VDC |
| Характеристики комплектации |
| Тип коммутации |
NC — нормально-закрытый контакт |
| Схема подключения |
PNP — общий минус |
| Резьба присоединения |
М20х1,5 |
| Длина погружаемой части |
12 мм |
| Материал корпуса сенсора |
фторопласт Ф4 |
| Тип коммутации | Схема подключения |
NC-PNP — контакт NC • схема PNP • 10…30 VDC |
| Характеристики комплектации |
| Тип коммутации |
NO/NC — переключающий контакт |
| Схема подключения |
PNP — общий минус |
| Резьба присоединения |
М20х1,5 |
| Длина погружаемой части |
12 мм |
| Материал корпуса сенсора |
фторопласт Ф4 |
| Тип коммутации | Схема подключения |
NONC-PNP — контакт NONC • схема PNP • 10…30 VDC |
| Характеристики комплектации |
| Тип коммутации |
NO — нормально-открытый контакт |
| Схема подключения |
NPN — общий минус |
| Резьба присоединения |
М20х1,5 |
| Длина погружаемой части |
12 мм |
| Материал корпуса сенсора |
фторопласт Ф4 |
| Тип коммутации | Схема подключения |
NO-NPN — контакт NO • схема NPN • 10…30 VDC |
| Характеристики комплектации |
| Тип коммутации |
NC — нормально-закрытый контакт |
| Схема подключения |
NPN — общий минус |
| Резьба присоединения |
М20х1,5 |
| Длина погружаемой части |
12 мм |
| Материал корпуса сенсора |
фторопласт Ф4 |
| Тип коммутации | Схема подключения |
NC-NPN — контакт NC • схема NPN • 10…30 VDC |
| Характеристики комплектации |
| Тип коммутации |
NO/NC — переключающий контакт |
| Схема подключения |
NPN — общий минус |
| Резьба присоединения |
М20х1,5 |
| Длина погружаемой части |
12 мм |
| Материал корпуса сенсора |
фторопласт Ф4 |
| Тип коммутации | Схема подключения |
NONC-NPN — контакт NONC • схема NPN • 10…30 VDC |
| Характеристики комплектации |
| Тип коммутации |
NO — нормально-открытый контакт |
| Схема подключения |
PNP — общий минус |
| Резьба присоединения |
G1/4 |
| Длина погружаемой части |
30 мм |
| Материал корпуса сенсора |
фторопласт Ф4 |
| Тип коммутации | Схема подключения |
NO-PNP — контакт NO • схема PNP • 10…30 VDC |
| Характеристики комплектации |
| Тип коммутации |
NC — нормально-закрытый контакт |
| Схема подключения |
PNP — общий минус |
| Резьба присоединения |
G1/4 |
| Длина погружаемой части |
30 мм |
| Материал корпуса сенсора |
фторопласт Ф4 |
| Тип коммутации | Схема подключения |
NC-PNP — контакт NC • схема PNP • 10…30 VDC |
| Характеристики комплектации |
| Тип коммутации |
NO/NC — переключающий контакт |
| Схема подключения |
PNP — общий минус |
| Резьба присоединения |
G1/4 |
| Длина погружаемой части |
30 мм |
| Материал корпуса сенсора |
фторопласт Ф4 |
| Тип коммутации | Схема подключения |
NONC-PNP — контакт NONC • схема PNP • 10…30 VDC |
| Характеристики комплектации |
| Тип коммутации |
NO — нормально-открытый контакт |
| Схема подключения |
NPN — общий минус |
| Резьба присоединения |
G1/4 |
| Длина погружаемой части |
30 мм |
| Материал корпуса сенсора |
фторопласт Ф4 |
| Тип коммутации | Схема подключения |
NO-NPN — контакт NO • схема NPN • 10…30 VDC |
| Характеристики комплектации |
| Тип коммутации |
NC — нормально-закрытый контакт |
| Схема подключения |
NPN — общий минус |
| Резьба присоединения |
G1/4 |
| Длина погружаемой части |
30 мм |
| Материал корпуса сенсора |
фторопласт Ф4 |
| Тип коммутации | Схема подключения |
NC-NPN — контакт NC • схема NPN • 10…30 VDC |
| Характеристики комплектации |
| Тип коммутации |
NO/NC — переключающий контакт |
| Схема подключения |
NPN — общий минус |
| Резьба присоединения |
G1/4 |
| Длина погружаемой части |
30 мм |
| Материал корпуса сенсора |
фторопласт Ф4 |
| Тип коммутации | Схема подключения |
NONC-NPN — контакт NONC • схема NPN • 10…30 VDC |
| Характеристики комплектации |
| Тип коммутации |
NO — нормально-открытый контакт |
| Схема подключения |
PNP — общий минус |
| Резьба присоединения |
G1/2 |
| Длина погружаемой части |
30 мм |
| Материал корпуса сенсора |
фторопласт Ф4 |
| Тип коммутации | Схема подключения |
NO-PNP — контакт NO • схема PNP • 10…30 VDC |
| Характеристики комплектации |
| Тип коммутации |
NC — нормально-закрытый контакт |
| Схема подключения |
PNP — общий минус |
| Резьба присоединения |
G1/2 |
| Длина погружаемой части |
30 мм |
| Материал корпуса сенсора |
фторопласт Ф4 |
| Тип коммутации | Схема подключения |
NC-PNP — контакт NC • схема PNP • 10…30 VDC |
| Характеристики комплектации |
| Тип коммутации |
NO/NC — переключающий контакт |
| Схема подключения |
PNP — общий минус |
| Резьба присоединения |
G1/2 |
| Длина погружаемой части |
30 мм |
| Материал корпуса сенсора |
фторопласт Ф4 |
| Тип коммутации | Схема подключения |
NONC-PNP — контакт NONC • схема PNP • 10…30 VDC |
| Характеристики комплектации |
| Тип коммутации |
NO — нормально-открытый контакт |
| Схема подключения |
NPN — общий минус |
| Резьба присоединения |
G1/2 |
| Длина погружаемой части |
30 мм |
| Материал корпуса сенсора |
фторопласт Ф4 |
| Тип коммутации | Схема подключения |
NO-NPN — контакт NO • схема NPN • 10…30 VDC |
| Характеристики комплектации |
| Тип коммутации |
NC — нормально-закрытый контакт |
| Схема подключения |
NPN — общий минус |
| Резьба присоединения |
G1/2 |
| Длина погружаемой части |
30 мм |
| Материал корпуса сенсора |
фторопласт Ф4 |
| Тип коммутации | Схема подключения |
NC-NPN — контакт NC • схема NPN • 10…30 VDC |
| Характеристики комплектации |
| Тип коммутации |
NO/NC — переключающий контакт |
| Схема подключения |
NPN — общий минус |
| Резьба присоединения |
G1/2 |
| Длина погружаемой части |
30 мм |
| Материал корпуса сенсора |
фторопласт Ф4 |
| Тип коммутации | Схема подключения |
NONC-NPN — контакт NONC • схема NPN • 10…30 VDC |
| Характеристики комплектации |
| Тип коммутации |
NO — нормально-открытый контакт |
| Схема подключения |
PNP — общий минус |
| Резьба присоединения |
G3/4 |
| Длина погружаемой части |
30 мм |
| Материал корпуса сенсора |
фторопласт Ф4 |
| Тип коммутации | Схема подключения |
NO-PNP — контакт NO • схема PNP • 10…30 VDC |
| Характеристики комплектации |
| Тип коммутации |
NC — нормально-закрытый контакт |
| Схема подключения |
PNP — общий минус |
| Резьба присоединения |
G3/4 |
| Длина погружаемой части |
30 мм |
| Материал корпуса сенсора |
фторопласт Ф4 |
| Тип коммутации | Схема подключения |
NC-PNP — контакт NC • схема PNP • 10…30 VDC |
| Характеристики комплектации |
| Тип коммутации |
NO/NC — переключающий контакт |
| Схема подключения |
PNP — общий минус |
| Резьба присоединения |
G3/4 |
| Длина погружаемой части |
30 мм |
| Материал корпуса сенсора |
фторопласт Ф4 |
| Тип коммутации | Схема подключения |
NONC-PNP — контакт NONC • схема PNP • 10…30 VDC |
| Характеристики комплектации |
| Тип коммутации |
NO — нормально-открытый контакт |
| Схема подключения |
NPN — общий минус |
| Резьба присоединения |
G3/4 |
| Длина погружаемой части |
30 мм |
| Материал корпуса сенсора |
фторопласт Ф4 |
| Тип коммутации | Схема подключения |
NO-NPN — контакт NO • схема NPN • 10…30 VDC |
| Характеристики комплектации |
| Тип коммутации |
NC — нормально-закрытый контакт |
| Схема подключения |
NPN — общий минус |
| Резьба присоединения |
G3/4 |
| Длина погружаемой части |
30 мм |
| Материал корпуса сенсора |
фторопласт Ф4 |
| Тип коммутации | Схема подключения |
NC-NPN — контакт NC • схема NPN • 10…30 VDC |
| Характеристики комплектации |
| Тип коммутации |
NO/NC — переключающий контакт |
| Схема подключения |
NPN — общий минус |
| Резьба присоединения |
G3/4 |
| Длина погружаемой части |
30 мм |
| Материал корпуса сенсора |
фторопласт Ф4 |
| Тип коммутации | Схема подключения |
NONC-NPN — контакт NONC • схема NPN • 10…30 VDC |
| Характеристики комплектации |
| Тип коммутации |
NO — нормально-открытый контакт |
| Схема подключения |
PNP — общий минус |
| Резьба присоединения |
М12х1 |
| Длина погружаемой части |
30 мм |
| Материал корпуса сенсора |
фторопласт Ф4 |
| Тип коммутации | Схема подключения |
NO-PNP — контакт NO • схема PNP • 10…30 VDC |
| Характеристики комплектации |
| Тип коммутации |
NC — нормально-закрытый контакт |
| Схема подключения |
PNP — общий минус |
| Резьба присоединения |
М12х1 |
| Длина погружаемой части |
30 мм |
| Материал корпуса сенсора |
фторопласт Ф4 |
| Тип коммутации | Схема подключения |
NC-PNP — контакт NC • схема PNP • 10…30 VDC |
| Характеристики комплектации |
| Тип коммутации |
NO/NC — переключающий контакт |
| Схема подключения |
PNP — общий минус |
| Резьба присоединения |
М12х1 |
| Длина погружаемой части |
30 мм |
| Материал корпуса сенсора |
фторопласт Ф4 |
| Тип коммутации | Схема подключения |
NONC-PNP — контакт NONC • схема PNP • 10…30 VDC |
| Характеристики комплектации |
| Тип коммутации |
NO — нормально-открытый контакт |
| Схема подключения |
NPN — общий минус |
| Резьба присоединения |
М12х1 |
| Длина погружаемой части |
30 мм |
| Материал корпуса сенсора |
фторопласт Ф4 |
| Тип коммутации | Схема подключения |
NO-NPN — контакт NO • схема NPN • 10…30 VDC |
| Характеристики комплектации |
| Тип коммутации |
NC — нормально-закрытый контакт |
| Схема подключения |
NPN — общий минус |
| Резьба присоединения |
М12х1 |
| Длина погружаемой части |
30 мм |
| Материал корпуса сенсора |
фторопласт Ф4 |
| Тип коммутации | Схема подключения |
NC-NPN — контакт NC • схема NPN • 10…30 VDC |
| Характеристики комплектации |
| Тип коммутации |
NO/NC — переключающий контакт |
| Схема подключения |
NPN — общий минус |
| Резьба присоединения |
М12х1 |
| Длина погружаемой части |
30 мм |
| Материал корпуса сенсора |
фторопласт Ф4 |
| Тип коммутации | Схема подключения |
NONC-NPN — контакт NONC • схема NPN • 10…30 VDC |
| Характеристики комплектации |
| Тип коммутации |
NO — нормально-открытый контакт |
| Схема подключения |
PNP — общий минус |
| Резьба присоединения |
М20х1,5 |
| Длина погружаемой части |
30 мм |
| Материал корпуса сенсора |
фторопласт Ф4 |
| Тип коммутации | Схема подключения |
NO-PNP — контакт NO • схема PNP • 10…30 VDC |
| Характеристики комплектации |
| Тип коммутации |
NC — нормально-закрытый контакт |
| Схема подключения |
PNP — общий минус |
| Резьба присоединения |
М20х1,5 |
| Длина погружаемой части |
30 мм |
| Материал корпуса сенсора |
фторопласт Ф4 |
| Тип коммутации | Схема подключения |
NC-PNP — контакт NC • схема PNP • 10…30 VDC |
| Характеристики комплектации |
| Тип коммутации |
NO/NC — переключающий контакт |
| Схема подключения |
PNP — общий минус |
| Резьба присоединения |
М20х1,5 |
| Длина погружаемой части |
30 мм |
| Материал корпуса сенсора |
фторопласт Ф4 |
| Тип коммутации | Схема подключения |
NONC-PNP — контакт NONC • схема PNP • 10…30 VDC |
| Характеристики комплектации |
| Тип коммутации |
NO — нормально-открытый контакт |
| Схема подключения |
NPN — общий минус |
| Резьба присоединения |
М20х1,5 |
| Длина погружаемой части |
30 мм |
| Материал корпуса сенсора |
фторопласт Ф4 |
| Тип коммутации | Схема подключения |
NO-NPN — контакт NO • схема NPN • 10…30 VDC |
| Характеристики комплектации |
| Тип коммутации |
NC — нормально-закрытый контакт |
| Схема подключения |
NPN — общий минус |
| Резьба присоединения |
М20х1,5 |
| Длина погружаемой части |
30 мм |
| Материал корпуса сенсора |
фторопласт Ф4 |
| Тип коммутации | Схема подключения |
NC-NPN — контакт NC • схема NPN • 10…30 VDC |
| Характеристики комплектации |
| Тип коммутации |
NO/NC — переключающий контакт |
| Схема подключения |
NPN — общий минус |
| Резьба присоединения |
М20х1,5 |
| Длина погружаемой части |
30 мм |
| Материал корпуса сенсора |
фторопласт Ф4 |
| Тип коммутации | Схема подключения |
NONC-NPN — контакт NONC • схема NPN • 10…30 VDC |
| Характеристики ёмкостных датчиков |
| Способ монтажа |
выносной |
| Гистерезис |
< 10% |
| Пульсация питающего напряжения, макс. |
10% |
| Падение напряжения на датчике |
не более 2.1 В |
| Ток потребления, не более |
15 мА |
| Максимальная частота переключения |
1 Гц |
| Диапазон рабочих температур |
-25…+75 °C |
| Ток нагрузки |
< 400 мA |
| Комплексная защита |
есть |
| Индикация переключения |
есть |
| Степень защиты погружаемой части датчика |
IP68 |
| Способ подключения |
кабель 2 м. |
| Материал корпуса |
12Х18Н10Т |
| Максимальное допустимое давление на сенсор |
10 атм |